TESLİMAT BİLGİLERİ

Ürününüz {{teminsuresi}} gün içerisinde teslim edilir

{{garantisuresi}} YIL GARANTİ

Üretici/distribütör garantilidir.

14 GÜNDE İADE

Ürünü 14 gün içerisinde ücretsiz ve kolayca iade edebilirsiniz.

44,728
51,42

Düşük profilli hatch

Görsel 1
Görsel 2
Görsel 3
PlatinPuan : 4.774.714
Fiyat:
57.296,57 TL
7.449,19 TL'den başlayan taksit seçenekleri için tıklayın.
1
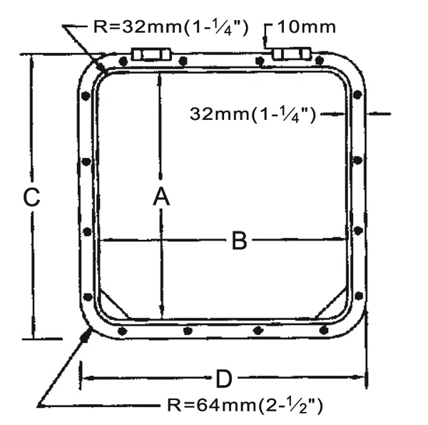
Düşük profilli hatch.
Gri akrilik cam. İçeriden ve/veya dışarıdan açılabilir. 180° açılabilme imkanı. 47 mm yükseklik. Tüm çerçeve ve menteşeler 316 paslanmaz çeliktir. Görünmeyen yüzeylerin paslanmazlığını sağlamak amacıyla elektro polisaj yapılmıştır. Tüm ağır şartlara dayanıklı neopren contası vardır.

Montaj Ebadı A:495 mm
Dıştan Dışa Ebat D:559 mm
Montaj Ebadı B:495 mm
Ağırlık:10.8 kg
Ebat (mm):495x495
Dıştan Dışa Ebat C:559 mm
Diğer Özellikler
Stok KoduD-2014051
MarkaDİĞER
Stok DurumuVar
Garanti (Yıl)2
9421001242301

PlatinMarket® E-Ticaret Sistemi İle Hazırlanmıştır.