TESLİMAT BİLGİLERİ

Ürününüz {{teminsuresi}} gün içerisinde teslim edilir

{{garantisuresi}} YIL GARANTİ

Üretici/distribütör garantilidir.

14 GÜNDE İADE

Ürünü 14 gün içerisinde ücretsiz ve kolayca iade edebilirsiniz.

44,728
51,42

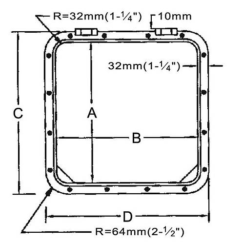
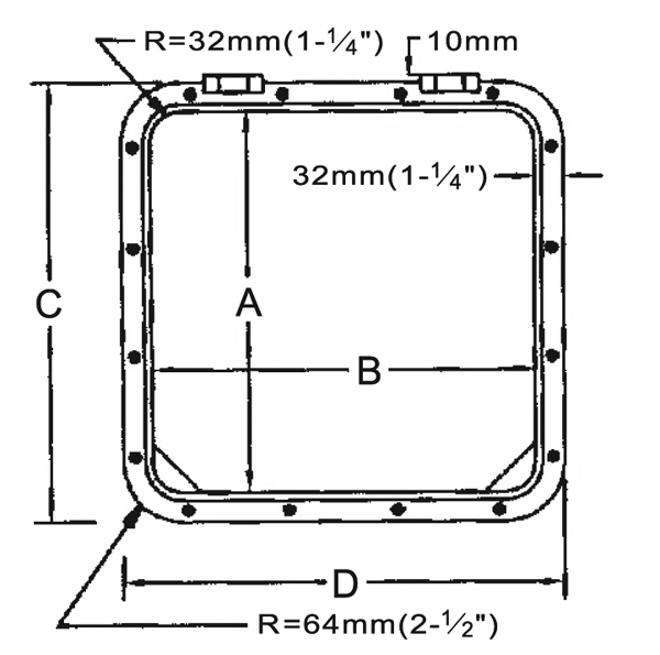
Düşük profilli hatch

Görsel 1
Görsel 2
Görsel 3
PlatinPuan : 3.671.408
Fiyat:
44.056,90 TL
5.727,89 TL'den başlayan taksit seçenekleri için tıklayın.
1
Düşük profilli hatch.
Gri akrilik cam. İçeriden ve/veya dışarıdan açılabilir. 180° açılabilme imkanı. 47 mm yükseklik. Tüm çerçeve ve menteşeler 316 paslanmaz çeliktir. Görünmeyen yüzeylerin paslanmazlığını sağlamak amacıyla elektro polisaj yapılmıştır. Tüm ağır şartlara dayanıklı neopren contası vardır.

Montaj Ebadı B:444 mm
Ağırlık:7.6 kg
Ebat (mm):318x444
Dıştan Dışa Ebat C:382 mm
Montaj Ebadı A:318 mm
Dıştan Dışa Ebat D:508 mm
Diğer Özellikler
Stok KoduD-2014048
MarkaDİĞER
Stok DurumuVar
Garanti (Yıl)2
9421001242298

PlatinMarket® E-Ticaret Sistemi İle Hazırlanmıştır.